Home
Products
Elcom
DIN 43650 Solenoid Connectors
RFI/EMI Filters
Switches
Fuse Holders, Lamp Holders
IEC Connectors & Receptacles
Power Distribution Units
Nema Twist Lock Receptacles
Cords and Accessories
Knobs and Accessories
Connectors, Terminals
Plugs & Sockets
Other Components
Watts
SMD Resistors
Watts Leaded Resistors
ION
Piezo Buzzers, Magnetic Buzzers
Crystal Buzzers
Musical Buzzers
Ringers
Siren
Schurter
Glass Fuses
SMT Fuses
Elico
Toggle Switches
Om Lila's
Mini PCB Connectors
VRC
Ceramic Wire Wound Resistors
Silicon Coated Wire Wound Resistors
Tubular Radial Tag Wire Wound Resistors
Just Connect Power Cords
Power Cords
Profile
Catalogs
Contact
Resources
Careers
Elcom
»
Knobs and Accessories
»
Instrument Knobs
» SK-403
Request Sample
Download catalog for SK-403
Download catalog for Instrument Knobs
Add to enquiry
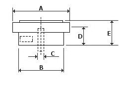
SK-403
Type:
Matching Skirt For RK-403 .
Dimension - A:
75.5
Dimension - B:
47.5
Dimension - C:
19.5
Dimension - D:
3.5
Dimension - E:
5.5
Material:
Thermosetting .
Number of Fixing Screws:
3
Spectrum Sales Corporation
Mobile - 8788272569 / 8975502467 - email - sales@spectrumsc.com
All logos and images displayed on the site are copyright of the respective companies
Add to enquiry Basket:
Qty. Expected:
Sample(s) required:
Comments/Query:
Loading, Please wait..
Error!