din 43650 connectors pdu
din 43650 connectors
din 43650 connectors
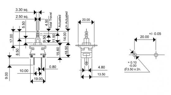
Elcom » Switches » Push Button Switches » PBS--31

PBS--31

PBS--31 PBS--31

Push Button Switch, Panel Mount, 10 (4) A, 250VAC,
Momentary type.

Switch Type: Momentary
Operating Force: 700 +/- 150 gms.
Permissible Temp For Soldering: 270 deg. C for 5 sec. Max.
Permissible Temp For With/Without Load: -20 deg. C to + 85 deg. C
Terminal Style: Solder-type / Fast-on 4.8 x 0.8
Mounting: Panel, Screw-type
Mechanical Life: 1,00,000 Cycles
Material - Terminals: Brass
Contact Arrangement: SPST
Contact & Voltage Ratings: 10(4) Amps, 250V AC
Contact Resistance(Max Initial): 10 m Ohms Max.
Electrical Life: 50,000 Cycles
H. V. Breakdown Test: 4 KV(Pole to Body) - 1 KV (Pole to Pole)
Insulation Resistance at 500V DC (Min): 100 M Ohms Min.
Material - Body: Nylon
Spectrum Sales Corporation
Mobile - 8788272569 / 8975502467 - email - sales@spectrumsc.com