din 43650 connectors pdu
din 43650 connectors
din 43650 connectors
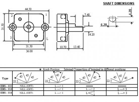
Elcom » Switches » Rotary Switches » ERS-111

ERS-111

ERS-111 ERS-111

Rotary Switch, Panel Mount, 4A, 250VAC, On-Off.

Terminals(Min): Push-In Type, 0.80 Thick .
Reference Standard: IEC-1058-1(1996) .
Permissible Temp. For Soldering: 270 deg. C for 5 sec. max.
Permissible Temp For With/Without Load: -20Deg. C To +85Deg. C .
Mounting: Chassis, Screw-type
Material Shaft: Nylon - Gray
Material Current Carrying Parts: Brass / Phosphor Bronze, Silver Plated .
Material Body: Nylon
Insulation Resistance at 500V DC(Min): 1000 M Ohms
H. V. Break Down Test: 1 KVAC For 1 minute
Electrical Life: 10000 Cycles / Pole
Contact Resistance(Max, Initial): 20 m Ohms
Voltage Rating: 4A, 250V AC / 125 AC
Spectrum Sales Corporation
Mobile - 8788272569 / 8975502467 - email - sales@spectrumsc.com